Пошаговая сборка 3D-принтера Ultimaker. Часть 2.
- Обновлено: 05.07.2025, 12:54
- Категория: 3D-печать
- Теги:
Продолжаем писать инструкцию по сборке 3D-принтера своими руками, часть вторая из намеченных пяти:
1. Вводный. Приобретение всего необходимого. 2. Сборка принтера. Часть первая. Корпус и механика.
3. Сборка принтера. Часть вторая. Электроника.
4. Прошивка и настройка принтера – Marlin.
5. Прошивка и настройка принтера - Repetier-Firmware.
И так мы приобрели все необходимое для сборки принтера и выглядит это примерно вот так:
К сожалению нет возможности разложить все детали для наглядности, боюсь что дети, котором ну очень интересен этот 3D принтер:
, а уж маленькие штучки от него тем более, раскатают это все по всей квартире.
Сборка 3D-принтера. Часть первая. Корпус и механика.
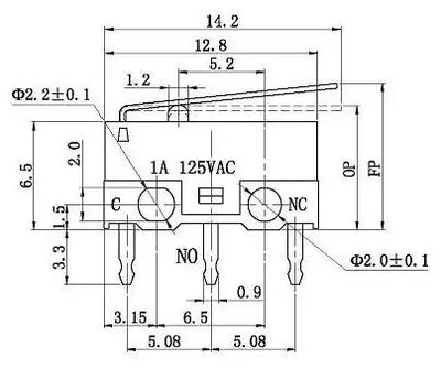
1. Пайка концевых выключателей осей X и Y.
Нам потребуется:
- два микровыключателя, один можно с обычной ногой, второй обязательно с длинной.
- провода сечением не менее 0,22 кв.мм. - 4 штуки по 1 метру (я использовал кабель 2*0,22 кв.мм. (в магазинах называется сигнальный или домофонный кабель).
- паяльник (припой, олово)
Припаиваем провода к микровыключателям. Я рекомендую использовать контакты C и NC на микровыключателях! Иначе это называется нормально закрытый контакт, т.е. в состоянии покоя цепь замкнута, в состоянии нажатия цепь размывается.
В некоторых случаях контакты подписаны цифрами, тогда это будет 1 и 2.
Необходимо это для дополнительной проверки работоспособности принтера, т.е. если с концевыми выключтелями что-то не в порядке, то печатная голова не пойдет в положение HOME.
2. Установка концевых выключателей осей X и Y на корпус.
Нам потребуется:
- Концевые выключатели с припаянными проводами - 2 шт.
- Панель корпуса левая.
- Панель корпуса верхняя.
- винт M2.5*16 - 4 шт.
- гайка M2.5 - 4 шт.
ВАЖНО! В случае если вы используете микровыключатели с разной длинной лапок, то по оси X устанавливается микровыключатель с длинной лапкой, на ось Y можно с обычной лапкой.
ВАЖНО! Не затягиваем микровыключатели сильно, они очень хрупкие, как правило хватает затяжки руками.
Устанавливаем микровыключатели как на фото:
Ось X:
Ось Y:
3. Сборка корпуса.
Нам потребуется:
- Панель корпуса левая, с установленным микровыключателем.
- Панель корпуса правая.
- Панель корпуса верхняя, с установленным микровыключателем.
- Панель корпуса нижняя.
- Панель корпуса передняя.
- Панель корпуса задняя.
- Две маленьких детали для крепления энкодера.
- Винты M3*16 - 40 шт.
- Гайки M3 - 40 шт.
- Энкодер - 1 шт.
Последовательность сборки:
- Заднюю панель кладем на стол ножками к себе, овальным отверстием под двигатель вправо.
- устанавливаем верхнюю панель мировыключателем внутрь корпуса слева.
- устанавливаем нижнюю панель маленьким прямоугольным отверстием вниз и справа.
- устанавливаем переднюю панель ножками к себе круглым отверстием справа.
- поворачиваем принтер на левый бок.
- устанавливаем правую панель ножками к себе, круглым отверстием сверху, которое ближе к краю, влево.
- переворачиваем принтер на правый бок.
- устанавливаем левую панель, ножками к себе, микровыключателем внутрь, влево.
- переворачиваем принтер на верхнюю панель.
- Собираем и устанавливаем панели для энкодера, как на фото.
Готовый корпус
- Скрепляем всю это конструкцию 40 винтами M3*16 и гайками.
Вкручиваем энкодер.
!!!ВАЖНО!!! вкручивать аккуратно, лучше если туго идет рассверлить отверстие, т.к. плата от энкодера отрывается очень легко.
4. Установка выключателя подсветки.
Нам потребуется:
- Корпус принтера.
- выключатель.
Устанавливаем выключатель в корпус до упора.
5. Установка разъема для подключения кабеля питания с предохранителем и выключателем.
Нам потребуется:
- Корпус принтера.
- Разъем для подключения кабеля питания с предохранителем и выключателем.
- Винт М3*10 - 2 шт.
- Гайка М3 - 2 шт.
- Устанавливаем разъем для подключения кабеля питания с предохранителем и выключателем в корпус принтера.
- Сверлом 2,5-3 мм делаем отверстия в корпусе соответственно напротив отверстий в разъеме для подключения кабеля питания с предохранителем и выключателем.
- Устанавливаем винты М2,5*10и закручиваем гайки.
Небольшое видео как я делал эти 5 шагов:
6. Установка светодиодной подсветки.
Нам потребуется:
- 1 метр светодиодной ленты.
- корпус принтера.
Наклеиваем светодиодную ленту внутри принтера, вдоль передней кромки, на правую, левую и верхнюю панель.
7. Установка подшипников в корпус.
Нам потребуется:
- подшипники F688 - 8 шт.
- корпус принтера.
Устанавливаем подшипники в отверстия фланцем внутрь, устанавливаются с небольшим усилием.
8. Сборка кареток осей X и Y.
Нам потребуется:
- набор деталей состоящих из:
- медные втулки - 4 шт.
- ремни GT2 длинные - 4 шт.
- пружины - 4 шт.
- детали корпуса кареток - 8 шт
Тут нужно проявить чудеса эквилибристики при сборке этих кареток.
Ремень протягивает как на фото, к пружине гладкой стороной.
Устанавливаем медную втулку в корпус.
Устанавливаем пружину с ремнем в корпус, как на фото.
Закрываем второй деталью корпуса, до 4 щелчков, проверяем что ремень не зажат и амортизирует.
9. Установка кареток на оси X и Y.
Нам потребуется:
- Каретки осей X и Y - 4 шт.
- Шпули GT2 20 зубьев на вал 8 мм - 8 шт.
- Двойная шпуля GT2 20 зубьев на вал 8 мм. - 1 шт.
- ремень короткий из набора - 2 шт.
- Шайба 8,5*10,5*5 – 2 шт.
- Шайба 8,5*10,5*10 – 4 шт.
- Шайба 8,5*10,5*25 – 1 шт.
Порядок установки следующий:
- Первой ставим дальний вал, на нем слева направо должно быть между подшипниками:
- двойная шпуля, на шпуле сначала короткий ремень, который пойдет к двигатели, и длинный ремень, кареткой снизу
- каретка втулкой на валу ремнем снизу
- шпуля обычная, винтами справа, на шпулю надеваем ремень длинный, кареткой вниз,
- печатная шайба 10 мм.
-
- Второй устанавливаем ось спереди, на ней слева направо:
- шайба 10 мм,
- шпуля винатами влево, на шпуле ремень от той каретки что надели на дальнюю ось,
- каретка
- шпуля винтами вправо, на шпуле ремень от той каретки что надели на дальнюю ось,
- шайба 10 мм.
- Третьей ставим ось справа, если повернуть левой стенкой к себе, последовательность слева направо
- шпуля винтами вправо, на шпуле короткий ремень
- шайба 10 мм.
- Шпуля, винтами влево, на шпуле ремень каретки, которая надета на дальнюю ось,
- каретка которая надета ремнем на дальнюю и переднюю ось,
- шпуля, винтами вправо, на шпуле ремень с каретки надетой на переднюю ось.
- шайба 5 мм.
- и последней ось слева, поворачиваем принтер правым боком к себе, и последовательность слева направо:
- шайба 5 мм
- шпуля винтами влево, на шпуле ремень с карентки, надетой на переднюю ось,
- каретка, надетая ремнями на переднюю и заднюю ось,
- Шпуля винтами вправо, на шпуле ремень с каретки надетой на заднюю ось
- шайба 25 мм.
Раздвигаем шпули с шайбами по сторонам в упор до подшипников, ровняем каретки относительно друг друга, затягиваем винты на шпулях.
Вторая часть видео:
10.Двигатели осей X и Y.
Нам потребуется:
- Двигатели - 2шт.
- винты М3*25 - 8 шт.
- Шайба кузовная и широкая - 8 шт.
- Кронштейн двигателя - 2 шт.
- Шпули 20 зубьев на вал 5 мм - 2 шт.
Шпули надеваются винтами практически вплотную к двигателю.
Прикручиваем двигатели используя шайбы и кронштейн, маленький ремень надевается на шпулю и натягивается.
11. Установка подшипников в каретки печатной головы:
Нам потребуется:
- Крепление E3D 1 часть – 1шт.
- подшипники LM6LUU - 2 шт.
Устанавливаем подшипники в отверстия.
12. Установка каретки печатной головы на оси.
Нам потребуется:
- Валы 6 мм - 2 шт.
- Каретка печатной головы с установленными подшипниками.
Вставляем валы в подшипники, короткий (300,5 мм) вдоль, длинный (320мм) - поперек.
Вставляем в каретки до щелчка, иногда некоторые каретки держат валы слабовато, капля клея исправляет ситуацию.
В задней части валы не должны выступать за пределы каретки, иначе будет биться об валы оси Z.
13. Сборка стола.
Нам потребуется:
- основание стола - 1шт.
- LMK12LUU - 2 шт.
- Гайка от трапециидальной пары - 1шт.
- Винт М3*12 - 8 шт.
- Винт м3*10 - 4 шт.
- Гайки м3 - 12шт.
Собираем как на фото, подшипники не затягиваем, затянуть их необходимо после установки в корпус.
14. Установка стола в корпус:
Нам потребуется:
- деревянные заглушки - 2 шт.
- Винт М3*16 - 4 шт.
- Гайка М3 - 4 шт.
- Собранный стол - 1 шт.
- Валы 12 мм - 2 шт.
Устанавливаем заглушки снизу корпуса.
Сверху корпуса в отверстия вставляем валы, надеваем на их стол, и ставим до упора в заглушки.
Очередное видео:
15. Установка демпфера на двигатель оси Z.
Нам потребуется:
- Двигатель оси Z - 1 шт.
- Демпфер - 1 шт.
- Винты м3*5 - 2 шт.
Устанавливаем демпфер и прикручиваем его винтами:
16. Сборка двигателя оси Z.
Нам потребуется:
- двигатель оси Z с установленным демпфером.
- трапециидальный винт.
- муфта - 1 шт.
Скручиваем все 3 детали, таким образом как на фото.
17. Установка двигателя в корпус принтера.
Нам потребуется:
- Двигатель с установленным демпфером и трапециидальным винтом.
- Винт М3*8 - 2 шт.
Вкручиваем трапециидальный винт в гайку, установленную на столе и фиксируем винтами двигатель к корпусу:
18. Установка концевого выключателя оси Z.
Нам потребуется:
- винт М3*40 (можно больше меньше, смотрим по месту).
- гайка М3
- микровыключатель.
- Винт М2,5*20 -2 шт.
- Гайка М2,5 - 2 шт.
Устанавливаем винт в отверстие на столе, и фиксируем его гайкой.
опускаем стол максимально вниз и по месту размечаем положение микровыключателя, при котором он будет нажиматься этим винтом,
сверлим отверстия, и фиксируем винтами с гайками - микровыключатель.
19. Установка подающей шестерни на двигатель экструдера.
Нам потребуется:
- Двигатель экструдера.
- Подающая шестерня.
Устанавливаем примерно вот так, как на фото:
Возможно дальше потребуется небольшие еще корректировки.
Обязательно крепко фиксируем, у этой шестерни только один крепежный винт и были случае что разбалтывался и я долго искал причину почему нет подачи пластика.
20. Сборка прижима экструдера:
Нам потребуется:
- Экструдер часть 3 - Подшипник 623ZZ - винт M3*10.
Собираем и получаем:
21. Установка фитинга на экструдер.
Нам потребуется:
- фитинг
- Экструдер часть 2 – 1 шт.
Вкручиваем и получаем:
И последний на сегодня пункт:
22. Сборка экструдера.
Нам потребуется:
- Экструдер часть 1 – 1шт.
- Экструдер часть 2 – 1 шт. с установленным фитингом
- Экструдер часть 3 – 1 шт. с установленным подшипником
- Двигатель с установленной подающей шестерней
- Винт М3*12 - 1 шт
- Винт М3*35 - 3 шт.
- Пружинка от жигулевских тормозов.
Вот и последнее на сегодня видео:
По видео можно понять на сборку принтера у меня ушло 4 вечера, 4 видео - 4 вечера, по времени примерно по часу, при этом я много фотографировал и конспектировал, что бы ничего не забыть. Т.е. для тех кто будет собирать принтера первый раз, наверное это займет примерно столько же времени, для кто уже с этим сталкивался, ну пожалуй потратит в два раза меньше времени. Все действительно достаточно просто.
Все можно сказать механика принтера готова полностью, можно поднимать и опускать стол вверх и вниз, двигать каретку печатной головы вперед назад вправо влево, можно даже побыть для своего принтера Arduino-й и по выписывать кареткой какие-нибудь фигуры.
Через две недели продолжим собирать электронную часть нашего принтера.
Друзья, а от вас жду обратной связи, доступно ли преподношу материал. Все вопросы и ответы в комментариях будут добавляться в пост апдейтами!
Часть 3. Сборка электроники.>> http://3dtoday.ru/blogs/plastmaska/collect-a-3d-printer-with-your-hands-step-by-step-instructions-part-3/Часть 3.1. Дополнительные фотографии. >> http://3dtoday.ru/blogs/plastmaska/collect-a-3d-printer-with-your-hands-step-by-step-instructions-part-31/Часть 3.2. Подключение электроники. >> http://3dtoday.ru/blogs/plastmaska/collect-a-3d-printer-with-your-hands-step-by-step-instructions-part-32/Часть 4. Установка и настройка прошивки Marlin. >> http://3dtoday.ru/blogs/plastmaska/collect-a-3d-printer-with-your-hands-step-by-step-instructions-part-4/Часть 5. Обновления и дополнения. >> http://3dtoday.ru/blogs/plastmaska/small-update-ultimaker/Просьба поддержать данный проект в соц.сетях.




















































Комментарии